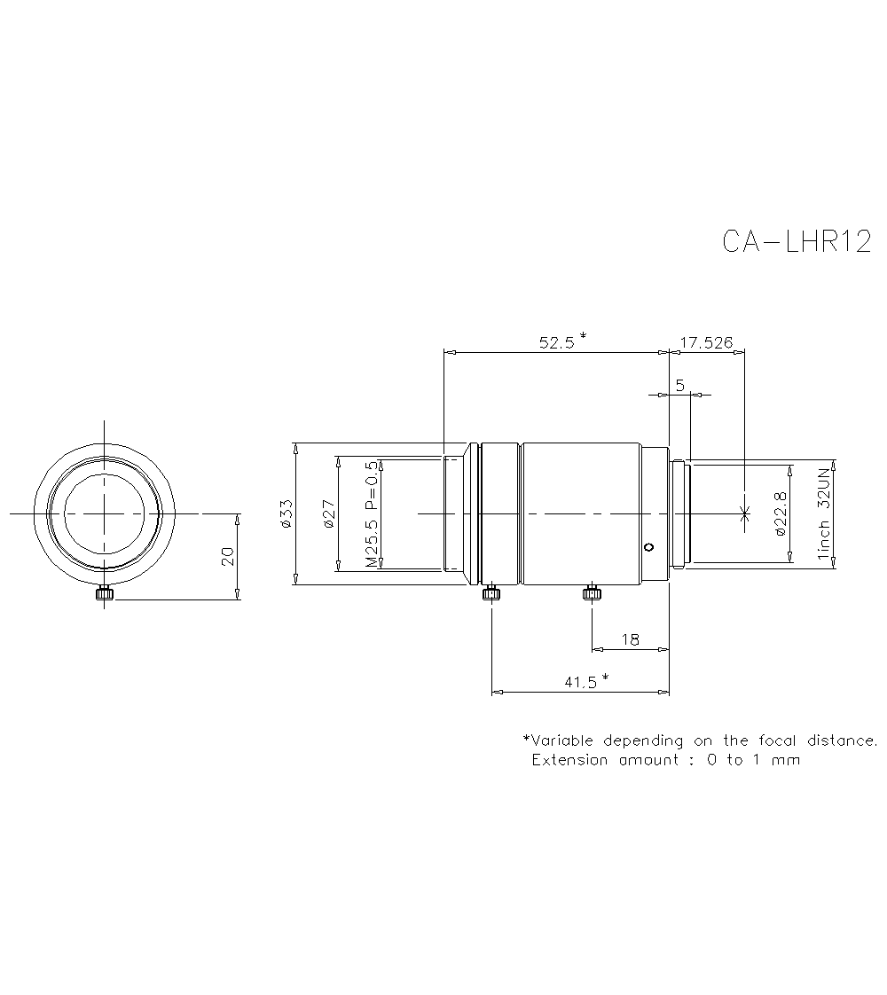
Afmetingen

* Als de tekst moeilijk te lezen is, raadpleeg dan de CAD of de handleiding.

CA-LHR12 Dimension