tcm:65-1366275-64
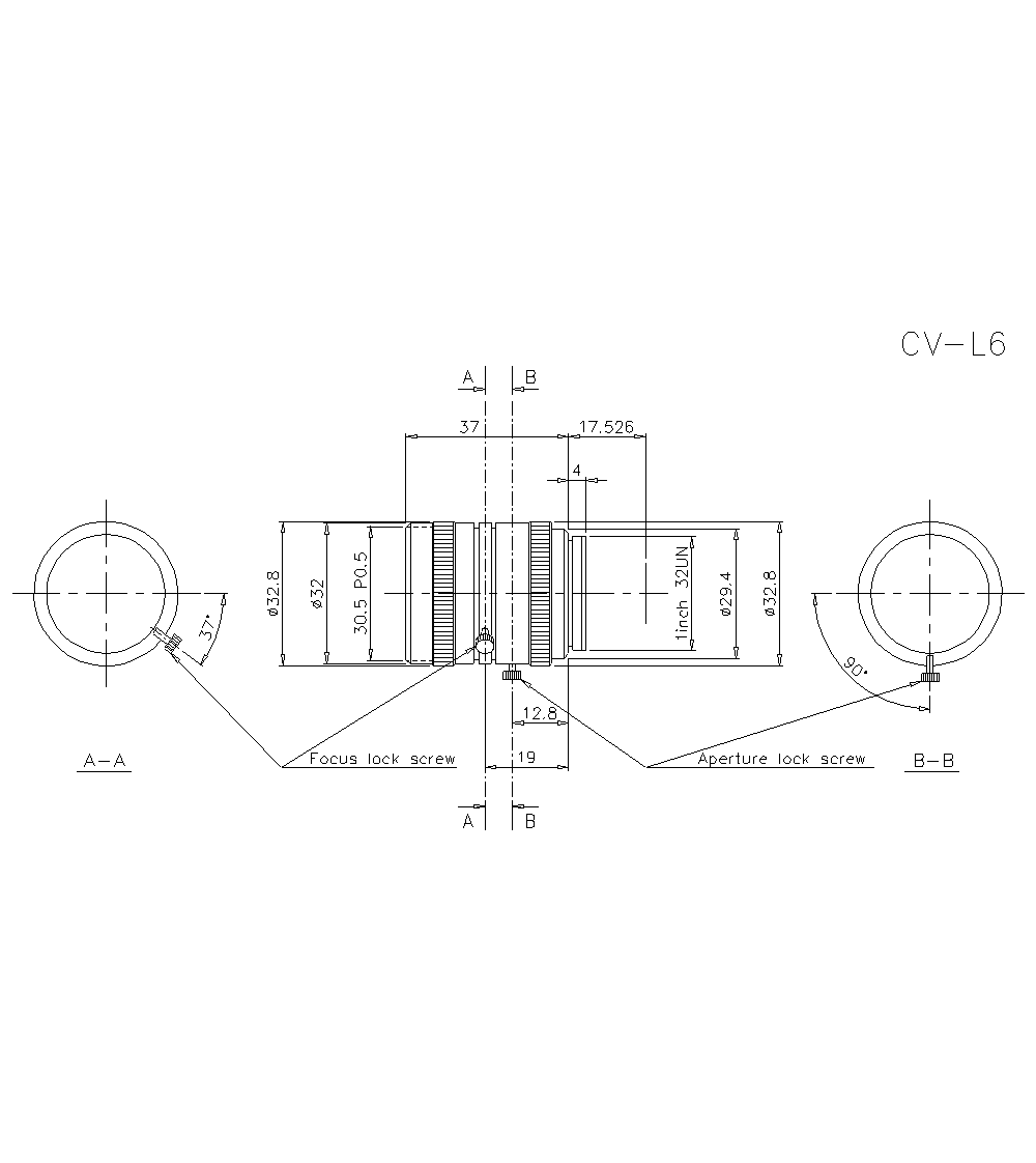
Afmetingen
* Als de tekst moeilijk te lezen is, raadpleeg dan de CAD of de handleiding.