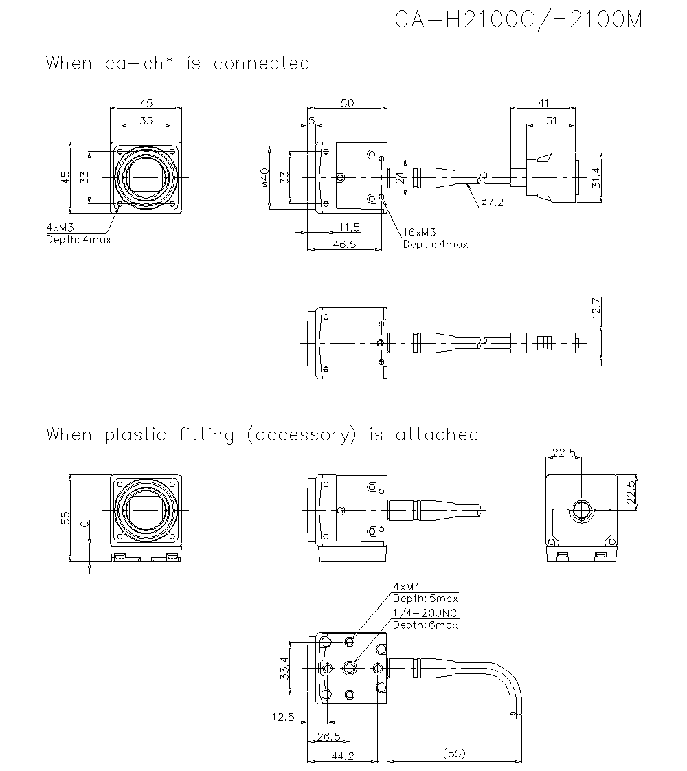
Afmetingen

* Als de tekst moeilijk te lezen is, raadpleeg dan de CAD of de handleiding.

ca-h2100c_m_dimension_01.gif

CA-H2100C/M Dimension