Afmetingen

* Als de tekst moeilijk te lezen is, raadpleeg dan de CAD of de handleiding.

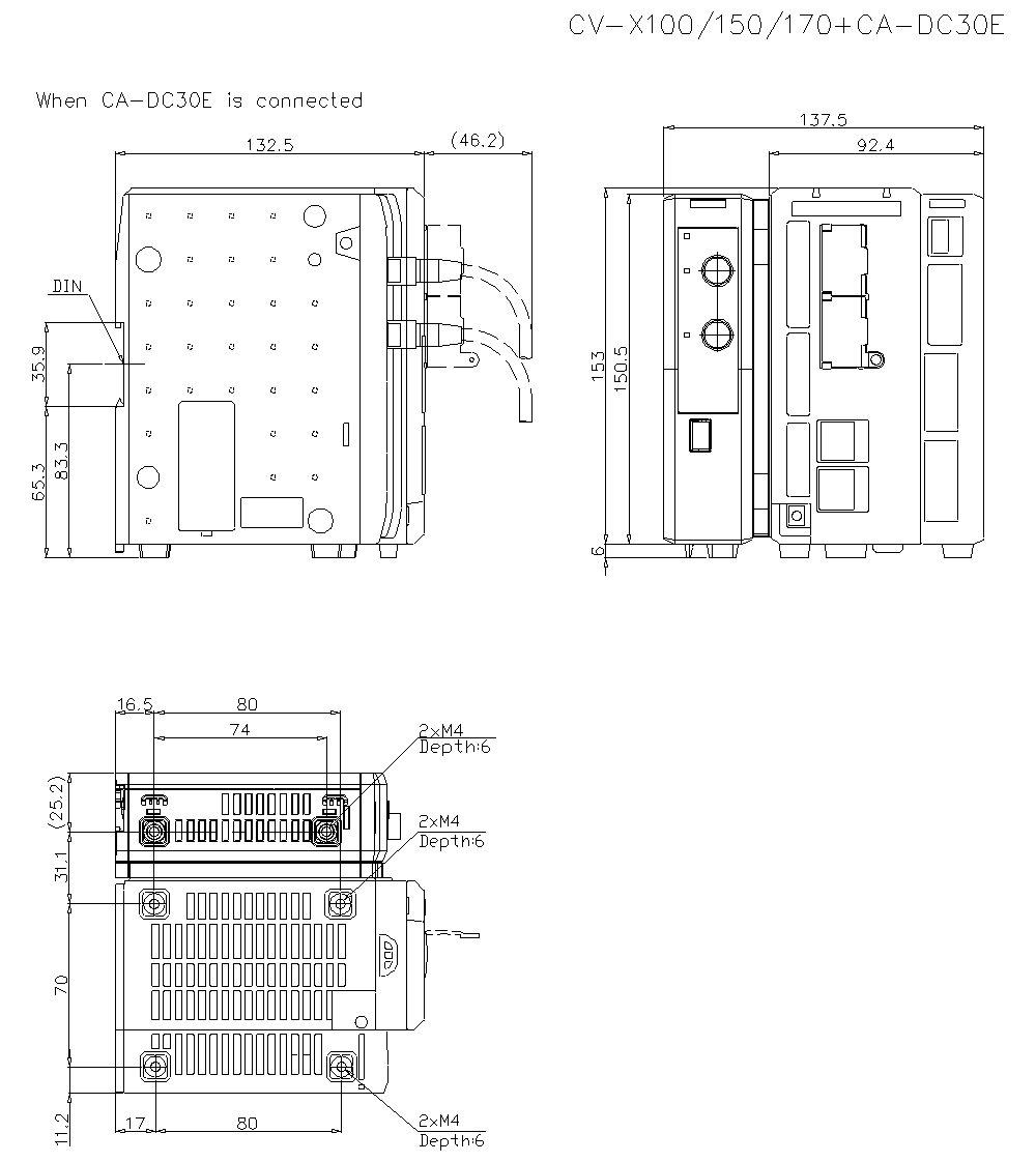
cv-x100_150_170_ca-dc30e_dimension_01.gif

CV-X100/150/170/CA-DC30E Dimension

CV-X100A Dimension