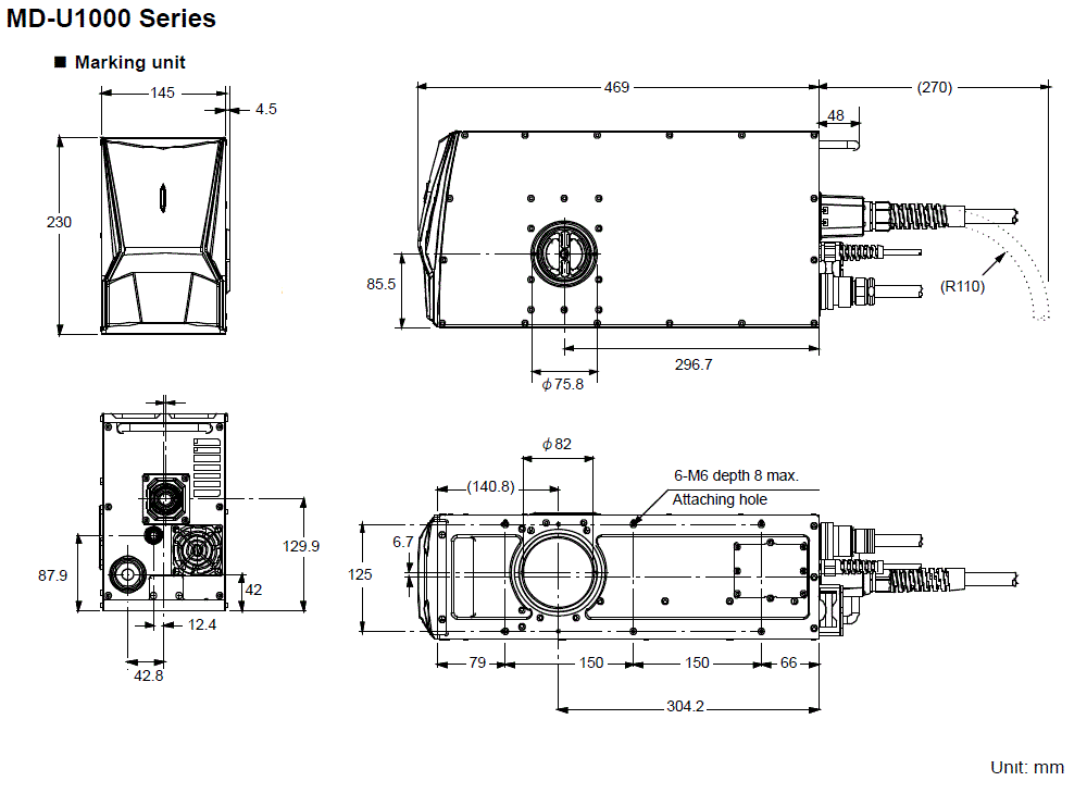
Wymiary

* Większe ilustracje/tekst oraz więcej szczegółów można znaleźć w pliku CAD lub w instrukcji produktu.

MDU1000-CONT Dimension

MDU1000-HEAD Dimension