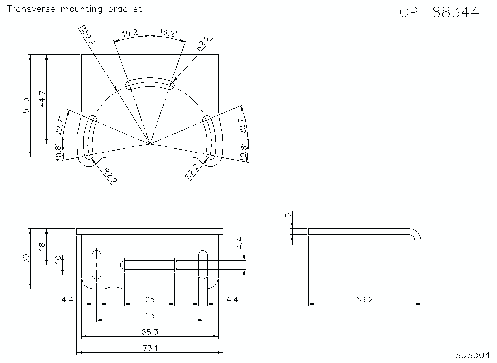
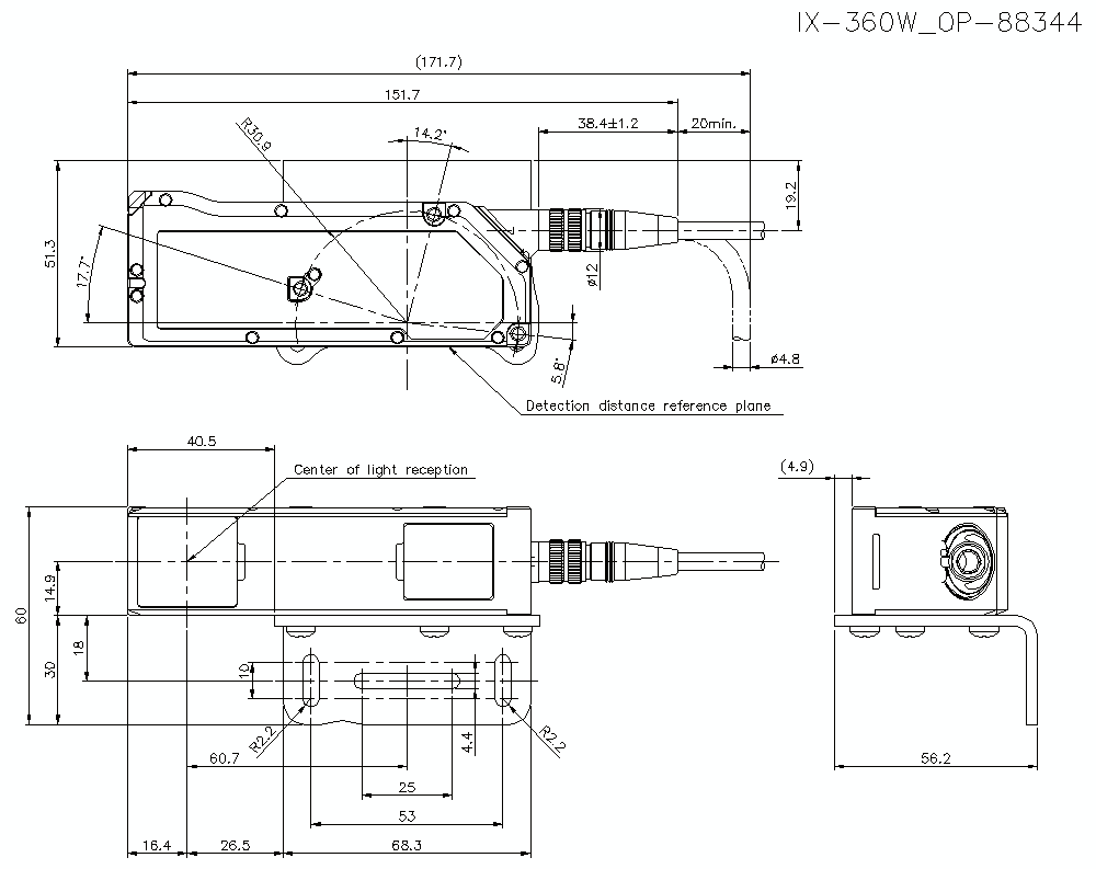
Wymiary

* Większe ilustracje/tekst oraz więcej szczegółów można znaleźć w pliku CAD lub w instrukcji produktu.

IX-HEAD/OP/88344 Dimension

OP-88344 Dimension

IX-360W/OP-88344