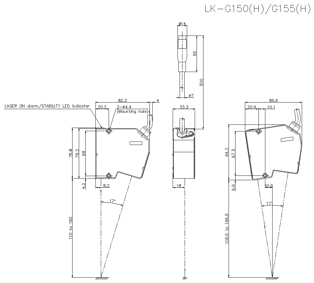
Wymiary

* Większe ilustracje/tekst oraz więcej szczegółów można znaleźć w pliku CAD lub w instrukcji produktu.

lk-g150_head_2_dimension_01.gif

LK-G150 Dimension