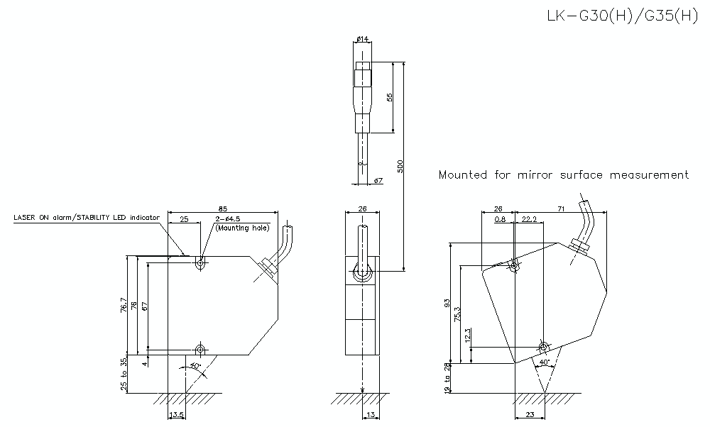
Wymiary

* Większe ilustracje/tekst oraz więcej szczegółów można znaleźć w pliku CAD lub w instrukcji produktu.

lk-g3_head_2_dimension_01.gif

LK-G3/HEAD/2 Dimension

LK-G30 Dimension