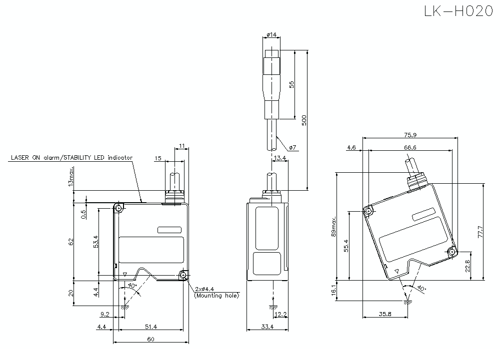
Wymiary

* Większe ilustracje/tekst oraz więcej szczegółów można znaleźć w pliku CAD lub w instrukcji produktu.

lk-h022k_h027k_2_dimension_01.gif

LK-H022K Dimension