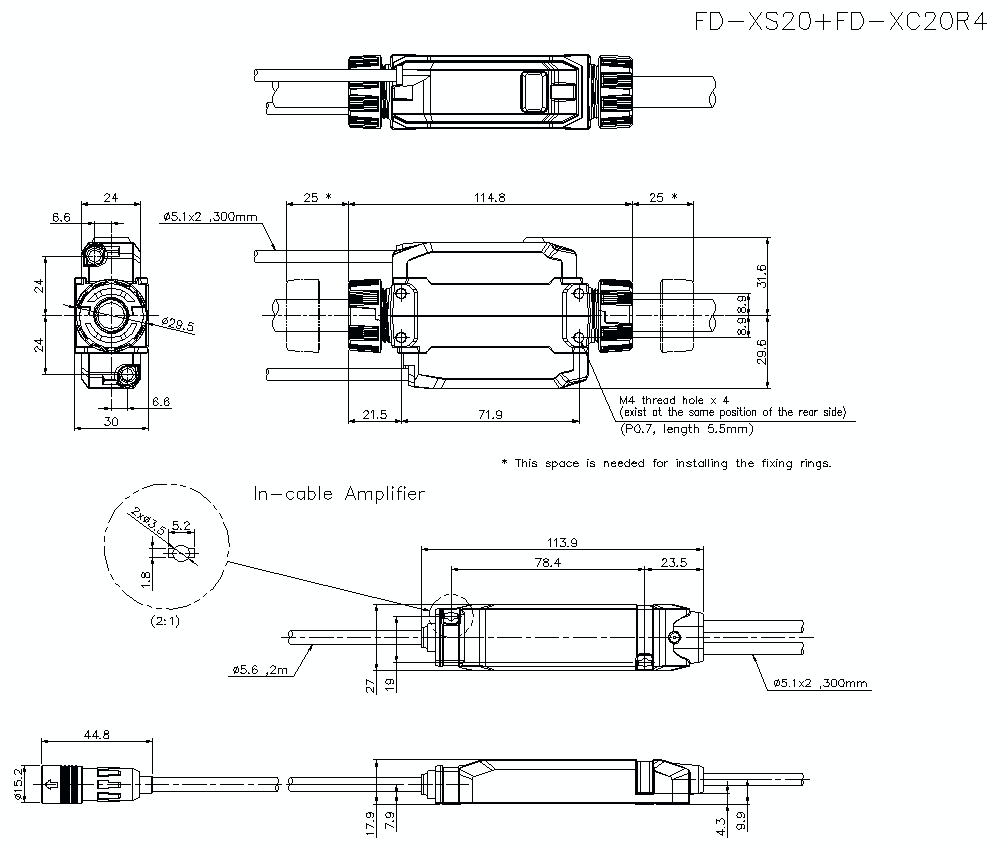
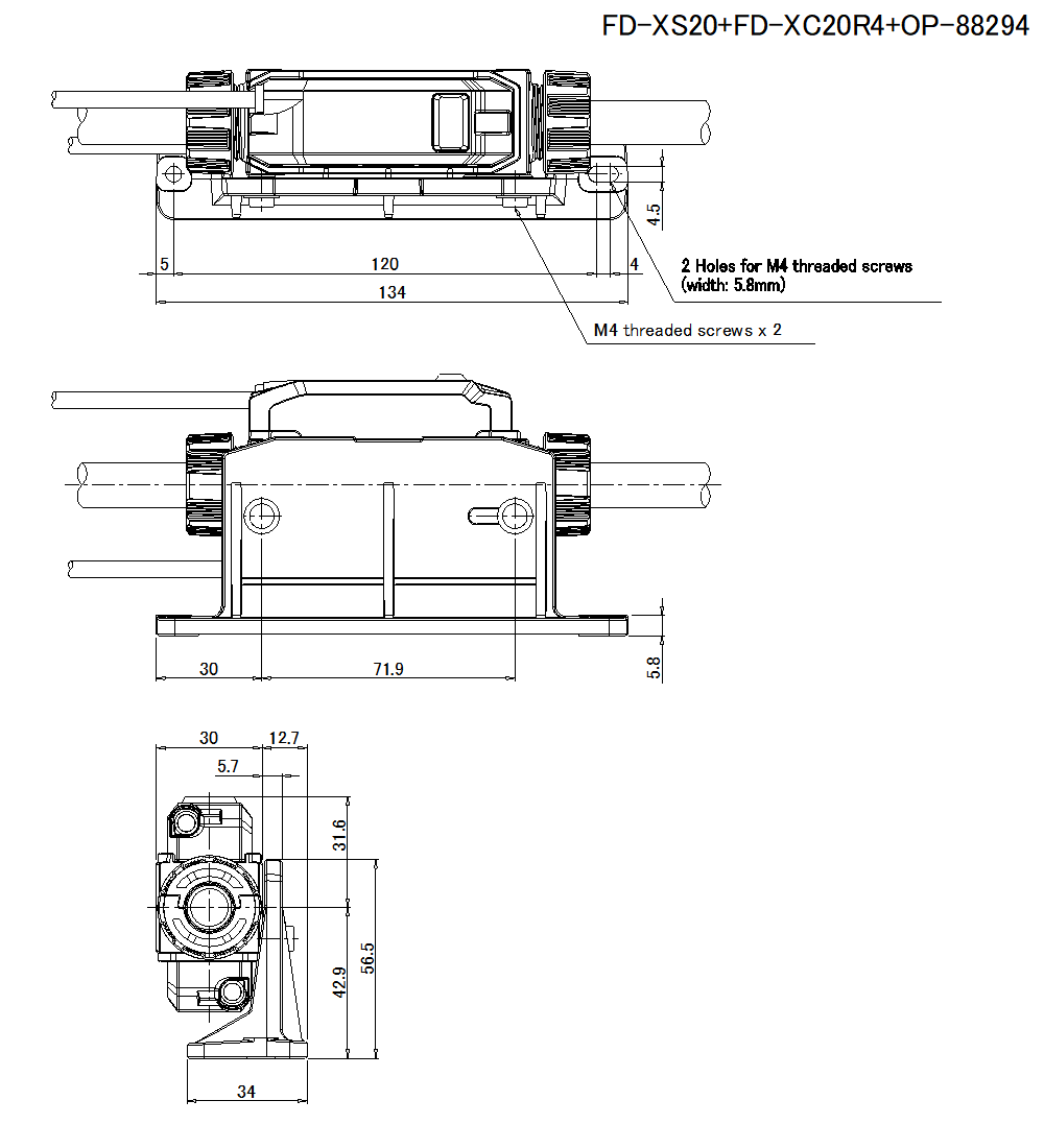
Wymiary

* Większe ilustracje/tekst oraz więcej szczegółów można znaleźć w pliku CAD lub w instrukcji produktu.

FD-XS20/FD-XC20R4/OP-88294 Dimension

FD-XS20/FD-XC20R4 Dimension