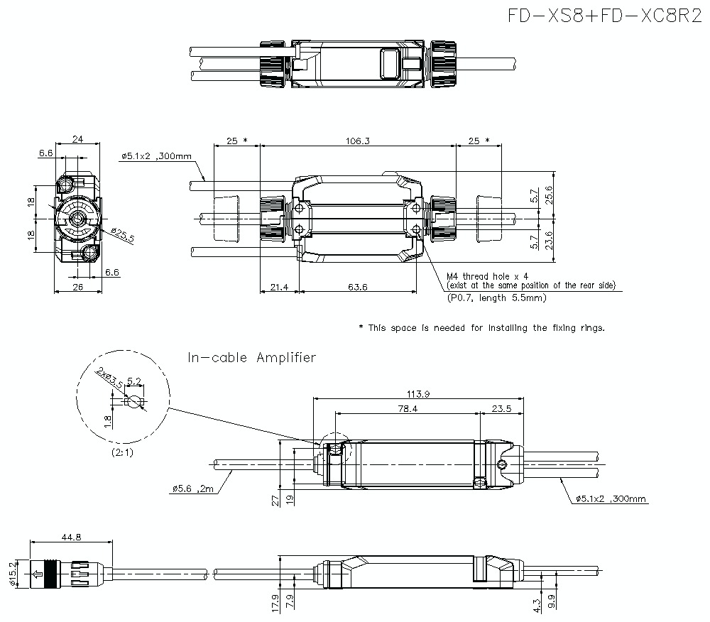
Wymiary

* Większe ilustracje/tekst oraz więcej szczegółów można znaleźć w pliku CAD lub w instrukcji produktu.

FD-XS8/FD-XC8R2 Dimension

FD-XS8/FD-XC8R2/OP-88294 Dimension