Wymiary

* Większe ilustracje/tekst oraz więcej szczegółów można znaleźć w pliku CAD lub w instrukcji produktu.

FD-XS20/FD-XC20R4/OP-88294 Dimension

FD-XS1/FD-XC1R1/OP-88294 Dimension

FD-XS1/FD-XC1R2/OP-88294 Dimension

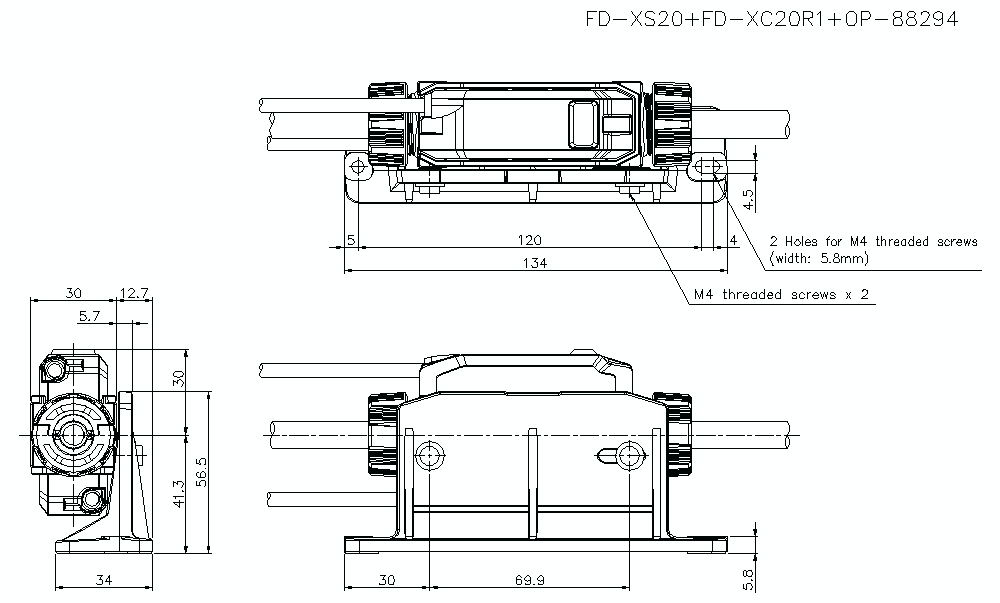
FD-XS20/FD-XC20R1/OP-88294 Dimension

FD-XS20/FD-XC20R2/OP-88294 Dimension

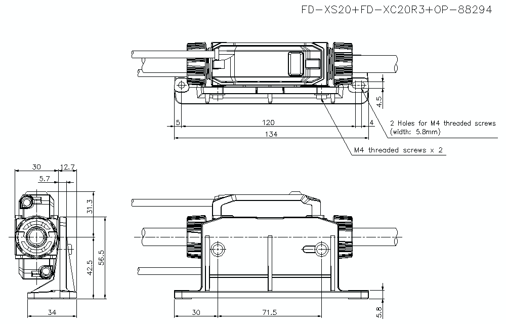
FD-XS20/FD-XC20R3/OP-88294 Dimension

FD-XS8/FD-XC8R1/OP-88294 Dimension

FD-XS8/FD-XC8R2/OP-88294 Dimension

FD-XS8/FD-XC8R3/OP-88294 Dimension

OP-88294 Dimension