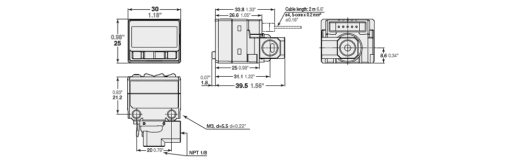
Wymiary

* Większe ilustracje/tekst oraz więcej szczegółów można znaleźć w pliku CAD lub w instrukcji produktu.

AP-C30_C31_C33_dimension_01.gif

AP-C30/C31/C33 Dimension