Wymiary

* Większe ilustracje/tekst oraz więcej szczegółów można znaleźć w pliku CAD lub w instrukcji produktu.

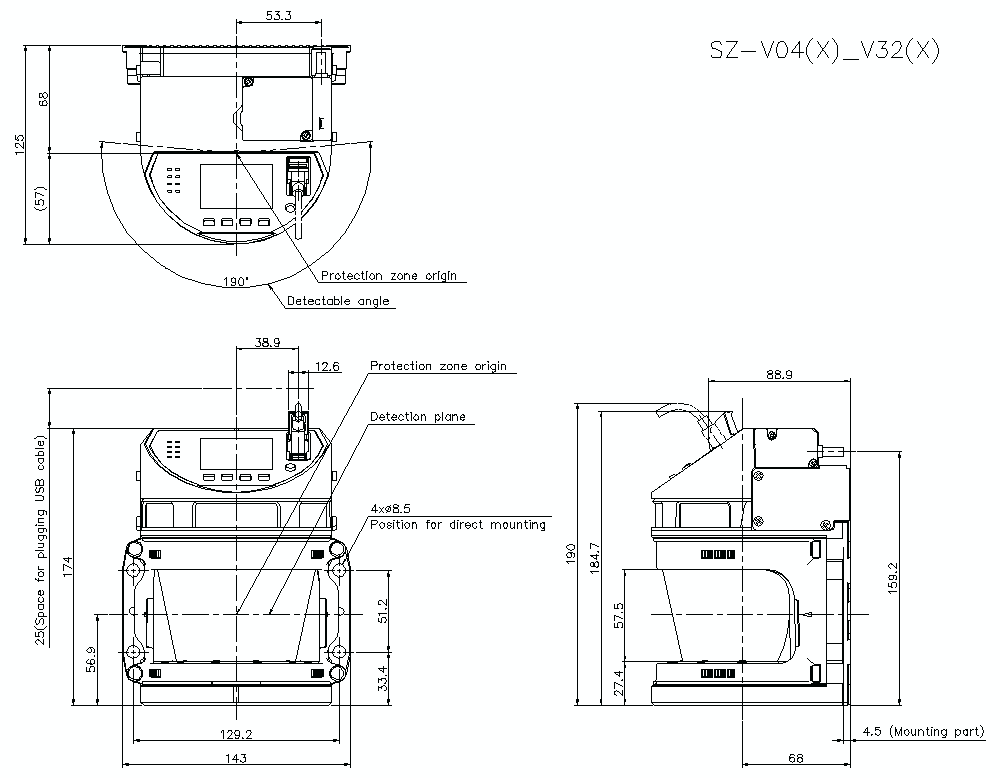
sz-v04_x_v32_x_dimension_01.gif

SZ-V04/X/V32/X Dimension

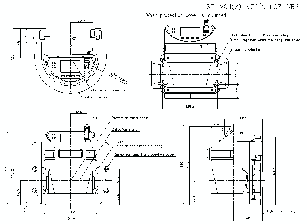
szv04_v32_x_vb21_dimension_01.gif

SZV04-V32/X/VB21 Dimension