Wymiary

* Większe ilustracje/tekst oraz więcej szczegółów można znaleźć w pliku CAD lub w instrukcji produktu.

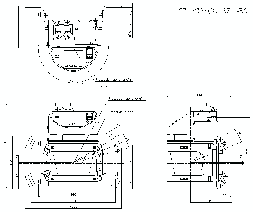
sz-v32n_x_vb01_dimension_01.gif

SZ-V32N/X/VB01 Dimension

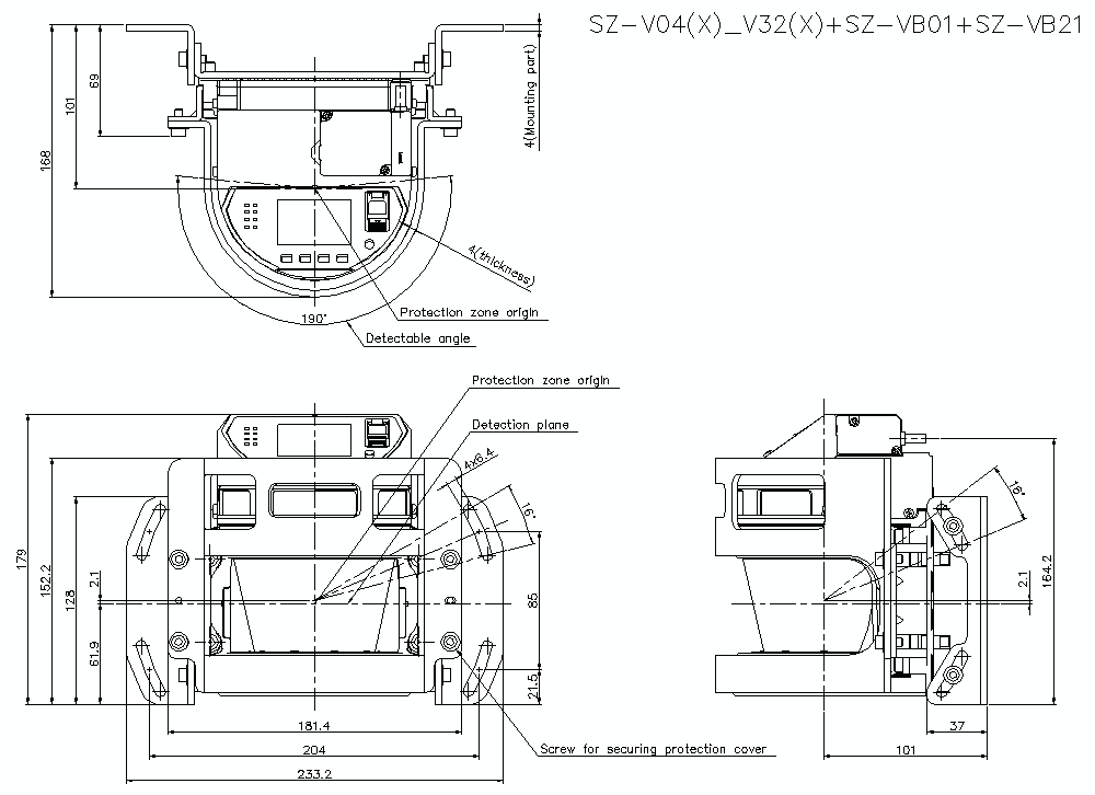
szv04_32_b01_b21_dimension_01.gif

SZV04-32/B01/B21 Dimension

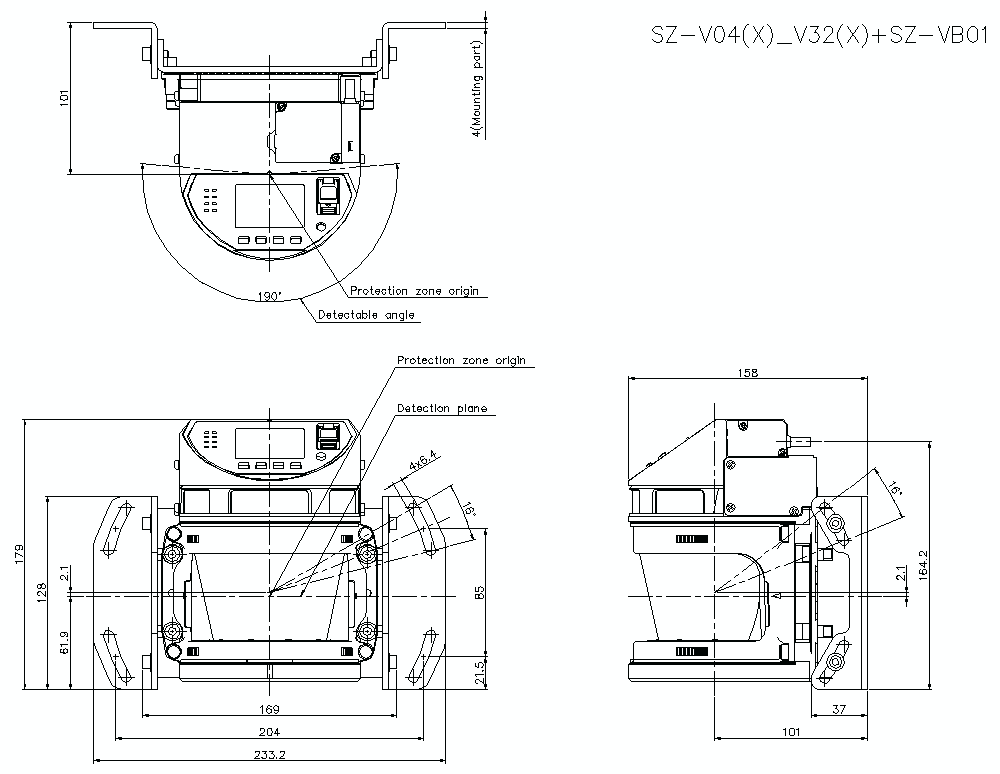
szv04_v32_x_vb01_dimension_01.gif

SZV04-V32/X/VB01 Dimension

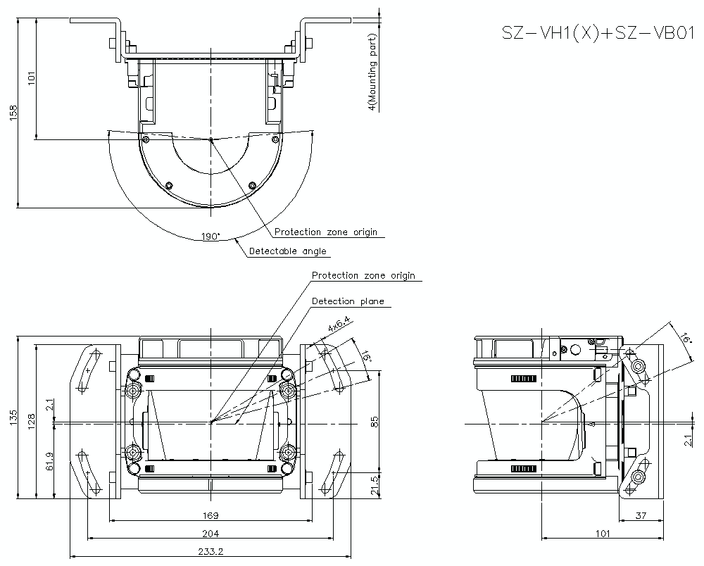
szvh1_vh1x_vb01_dimension_01.gif

SZVH1-VH1X/VB01 Dimension

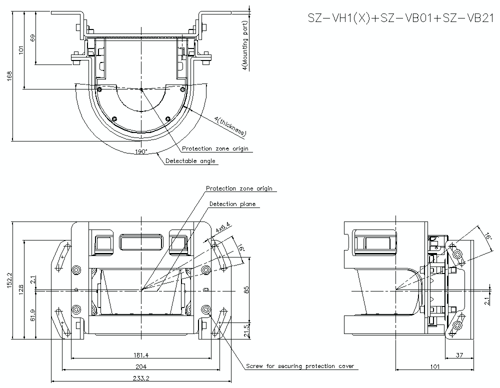
szvh1_x_vb01_21_dimension_01.gif

SZVH1-X/VB01/21 Dimension