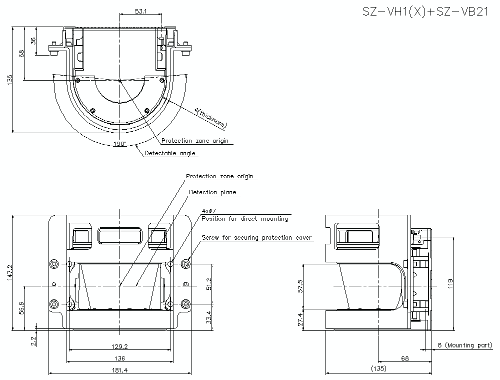
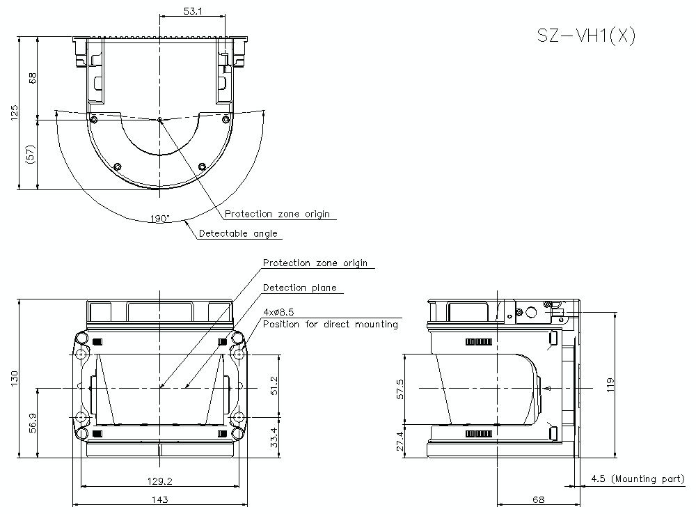
Wymiary

* Większe ilustracje/tekst oraz więcej szczegółów można znaleźć w pliku CAD lub w instrukcji produktu.

sz-vh1_vh1x_dimension_01.gif

SZ-VH1/VH1X Dimension

szvh1_x_vb21_dimension_01.gif

SZVH1-X/VB21 Dimension