Wymiary

* Większe ilustracje/tekst oraz więcej szczegółów można znaleźć w pliku CAD lub w instrukcji produktu.

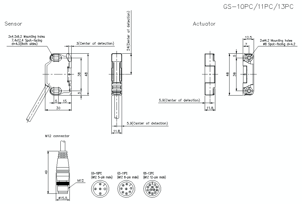
GS-1XPC Dimension

GS-1XPC/GS/B01_01 Dimension

GS-1XPC/GS/B01_02 Dimension

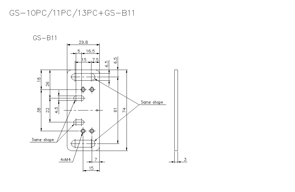
GS-1XPC/GS/B11_01 Dimension

GS-1XPC/GS/B11_02 Dimension

GS-1XPC/GS/B11_03 Dimension