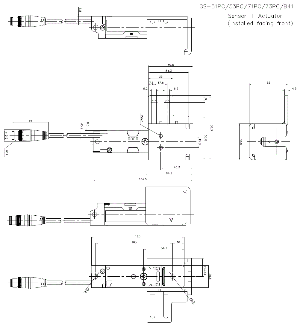
Wymiary

* Większe ilustracje/tekst oraz więcej szczegółów można znaleźć w pliku CAD lub w instrukcji produktu.

GS-51/53/71/73PC/B41 Dimension

GS-51/71/B41 Dimension