Wymiary

* Większe ilustracje/tekst oraz więcej szczegółów można znaleźć w pliku CAD lub w instrukcji produktu.

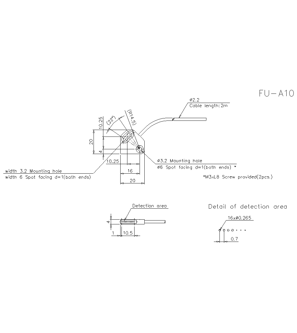
FU-A10 Dimension