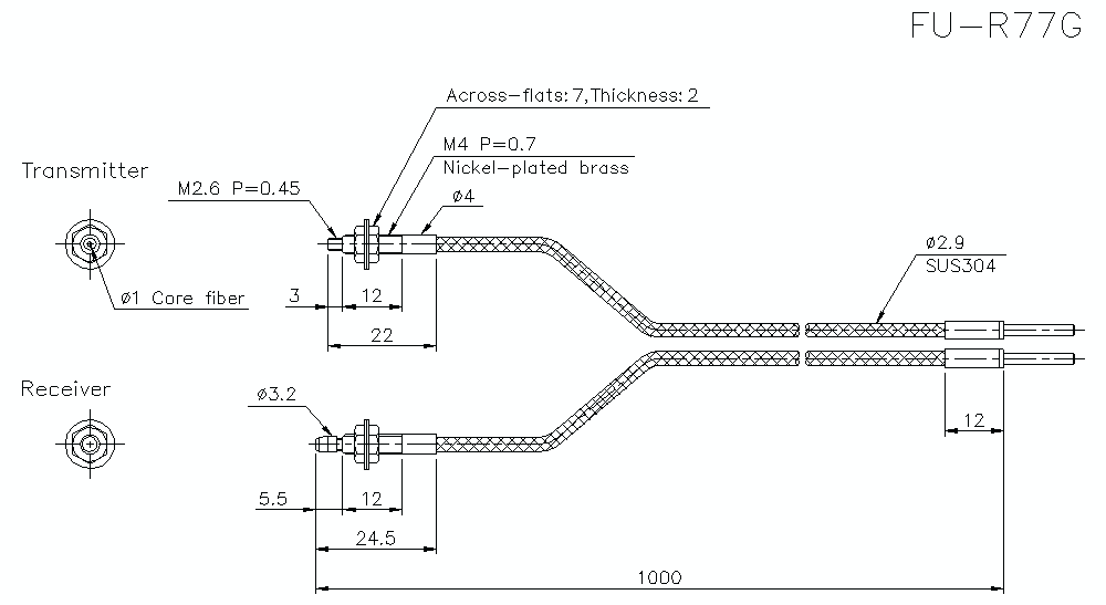
Wymiary

* Większe ilustracje/tekst oraz więcej szczegółów można znaleźć w pliku CAD lub w instrukcji produktu.

fu-r77g_dimension_01.gif

FU-R77G Dimension