Wymiary

* Większe ilustracje/tekst oraz więcej szczegółów można znaleźć w pliku CAD lub w instrukcji produktu.

OP-87772/OP-87775/LR-TB2000 Dimension

OP-87774/OP-87775/LR-TB5000 Dimension

OP-87775 Dimension

OP-87775/OP/87772 Dimension

op-87775_op-87774_2_dimension_01.gif

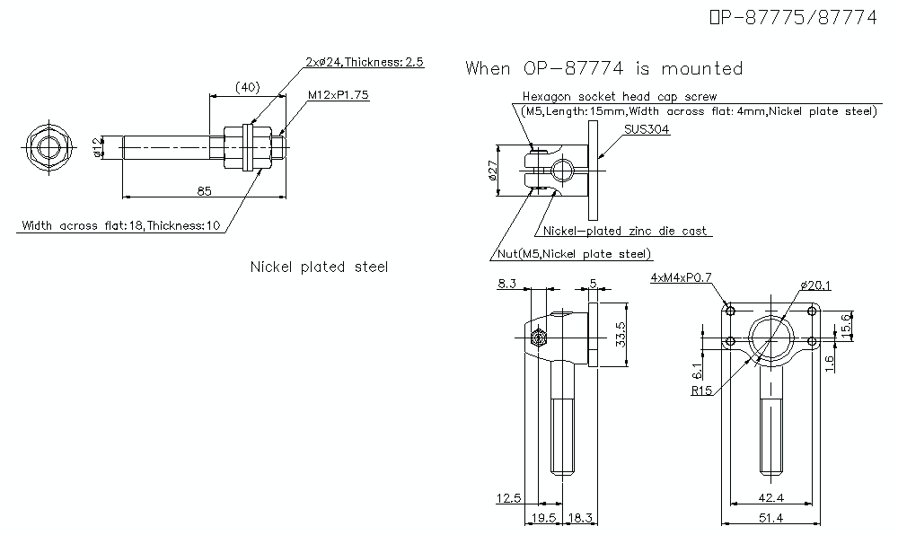
OP-87775/OP-87774 Dimension