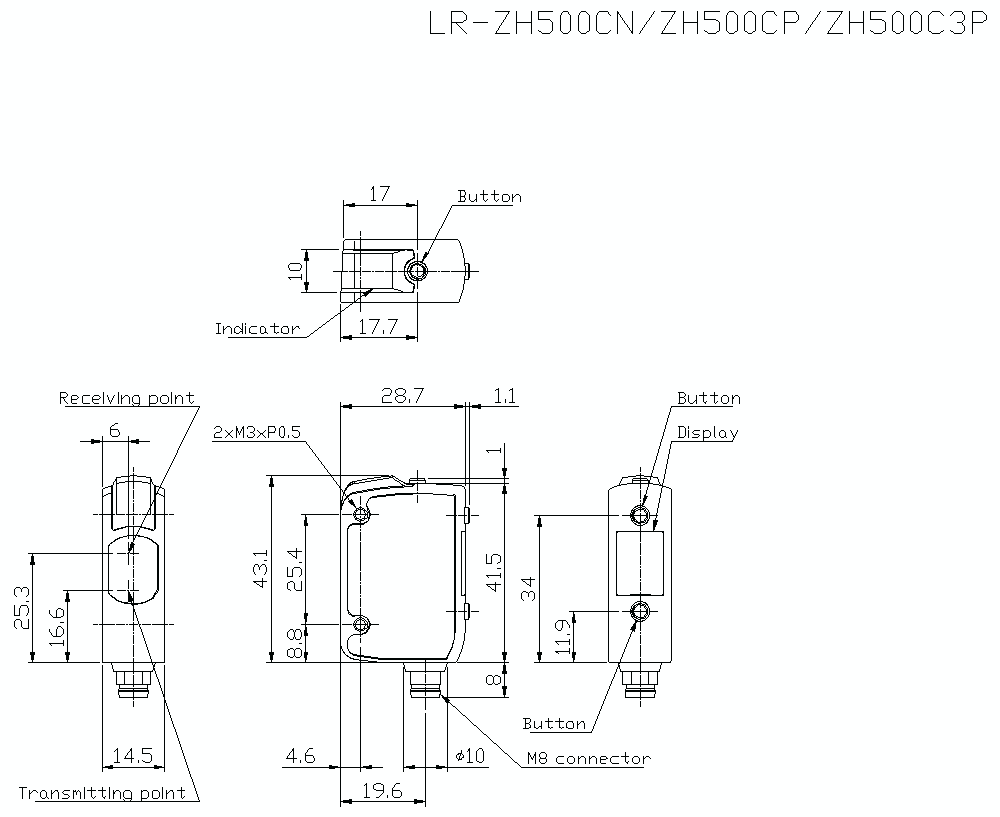
Wymiary

* Większe ilustracje/tekst oraz więcej szczegółów można znaleźć w pliku CAD lub w instrukcji produktu.

lr-zh500c_dimension_01.gif

LR-ZH500C Dimension

lr-zh500_dimension_01.gif

LR-ZH500 Dimension