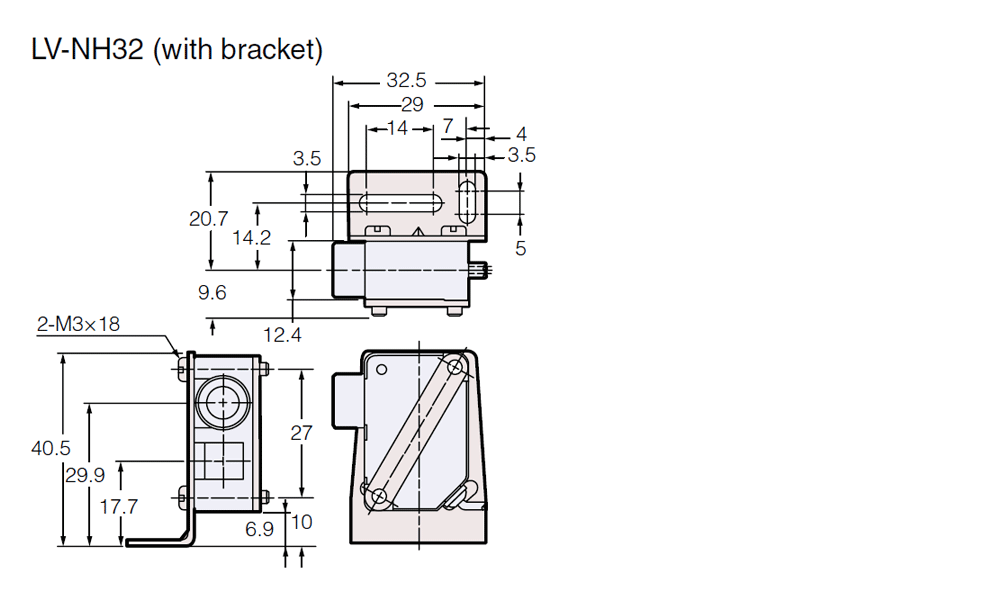
Wymiary

* Większe ilustracje/tekst oraz więcej szczegółów można znaleźć w pliku CAD lub w instrukcji produktu.

LV-NH32_01 Dimension

LV-NH32_02 Dimension