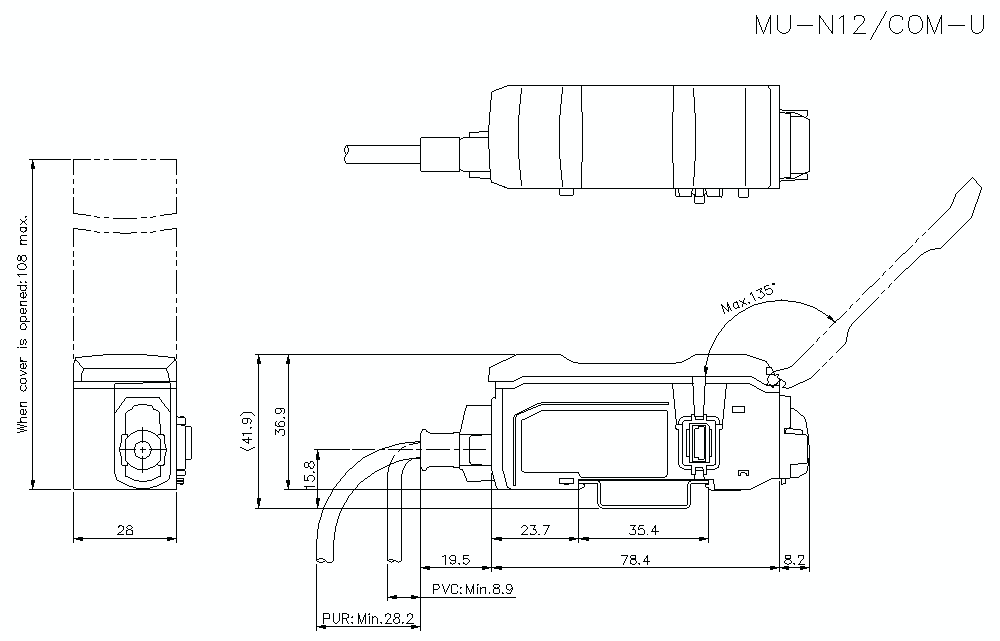
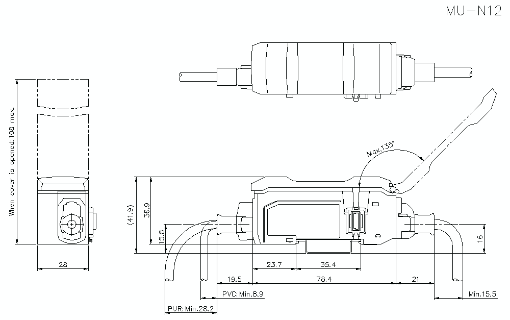
Wymiary

* Większe ilustracje/tekst oraz więcej szczegółów można znaleźć w pliku CAD lub w instrukcji produktu.

mu-n12_nu_dimension_01.gif

MU-N12/NU Dimension

mu-n12_dimension_01.gif

MU-N12 Dimension