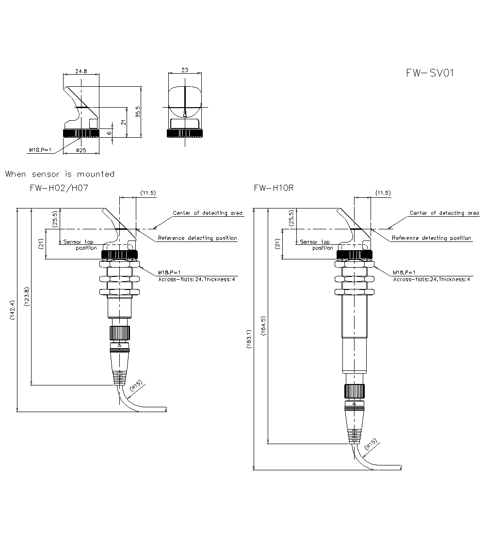
Wymiary

* Większe ilustracje/tekst oraz więcej szczegółów można znaleźć w pliku CAD lub w instrukcji produktu.

FW-SV01 Dimension