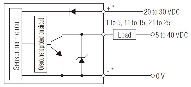
Schemat obwodu wejścia/wyjścia

* Większe ilustracje/tekst oraz więcej szczegółów można znaleźć w pliku CAD lub w instrukcji produktu.

GT2-100N IO circuit

GT2-100N IO circuit