Wymiary

* Większe ilustracje/tekst oraz więcej szczegółów można znaleźć w pliku CAD lub w instrukcji produktu.

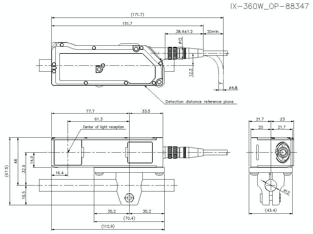
IX-HEAD/OP/88347 Dimension

OP-88347 Dimension

IX-360W/OP-88347