Wymiary

* Większe ilustracje/tekst oraz więcej szczegółów można znaleźć w pliku CAD lub w instrukcji produktu.

IV/IV-H_SENSOR Dimension

IV/IV-H_SENSOR Dimension

IV/IV-H_SENSOR Dimension

iv-500_h500_dimension_01.gif

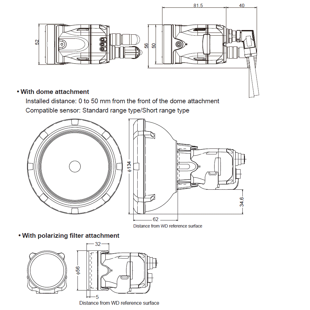
IV-H500CA/H150MA/H500MA Dimension

iv-500_h500_dimension_02.gif

IV-H500CA/H150MA/H500MA Dimension