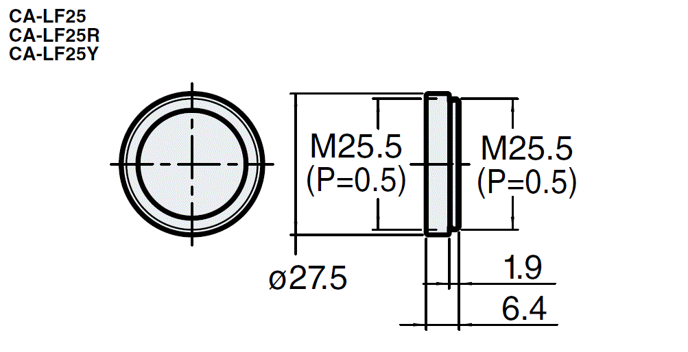
Wymiary

* Większe ilustracje/tekst oraz więcej szczegółów można znaleźć w pliku CAD lub w instrukcji produktu.

CA-LF25_dimension_01.gif

CA-LF25 Dimension