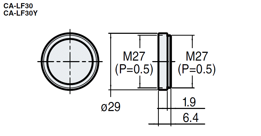
Wymiary

* Większe ilustracje/tekst oraz więcej szczegółów można znaleźć w pliku CAD lub w instrukcji produktu.

CA-LF30_dimension_01.gif

CA-LF30 Dimension