Wymiary

* Większe ilustracje/tekst oraz więcej szczegółów można znaleźć w pliku CAD lub w instrukcji produktu.

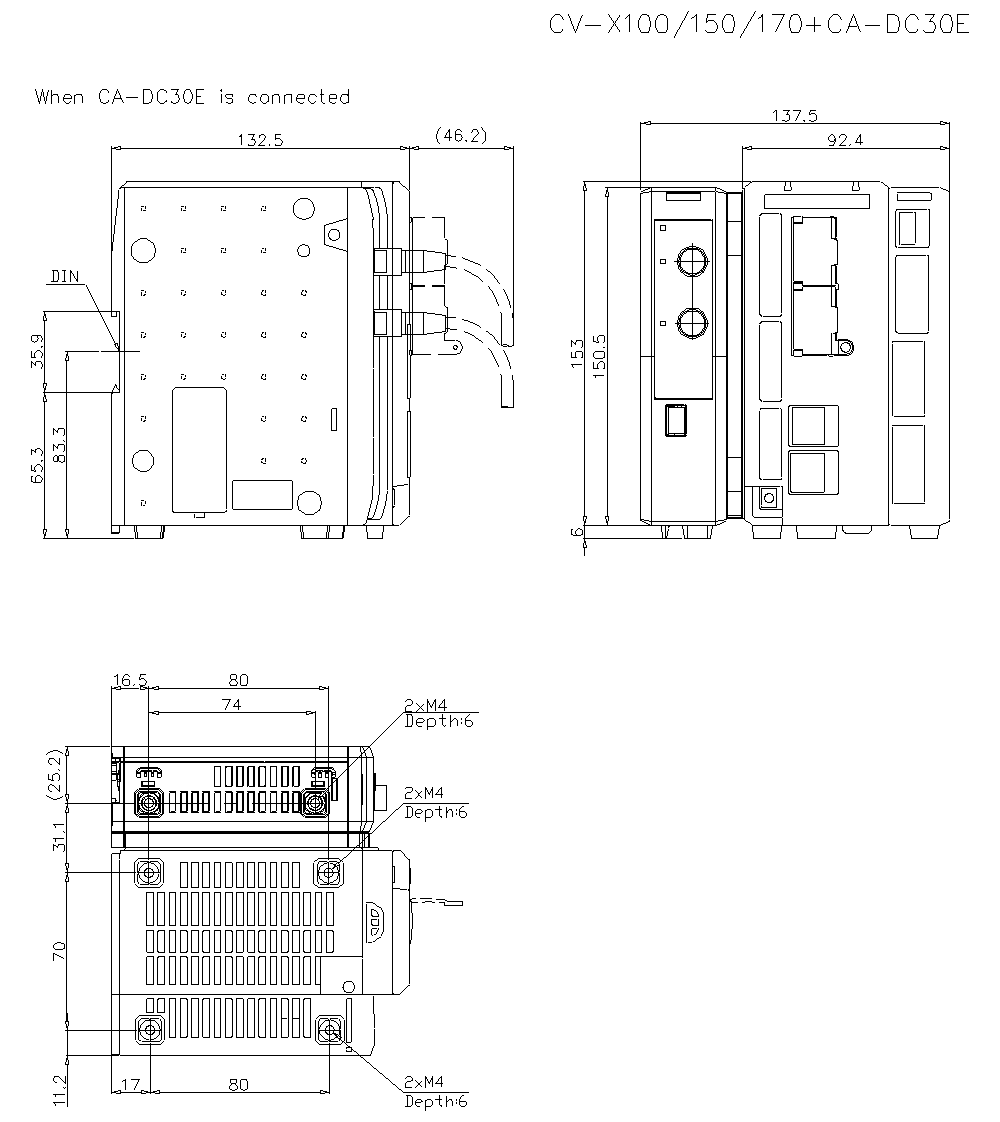
cv-x100_150_170_ca-dc30e_dimension_01.gif

CV-X100/150/170/CA-DC30E Dimension

CV-X100A Dimension