Wymiary

* Większe ilustracje/tekst oraz więcej szczegółów można znaleźć w pliku CAD lub w instrukcji produktu.

XG/XG-H200C(M) Dimension

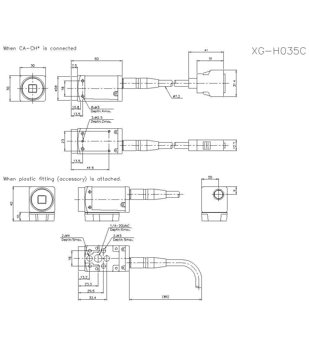
XG-H035C Dimension