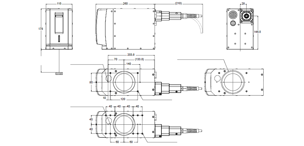
Dimensions

* Download CAD file or product manual for larger image/text and more detail.

mdf3200_5200_dimension_01.gif

MDF3200-5200 Dimension

mdf3200_5200_dimension_02.gif

MDF3200-5200 Dimension