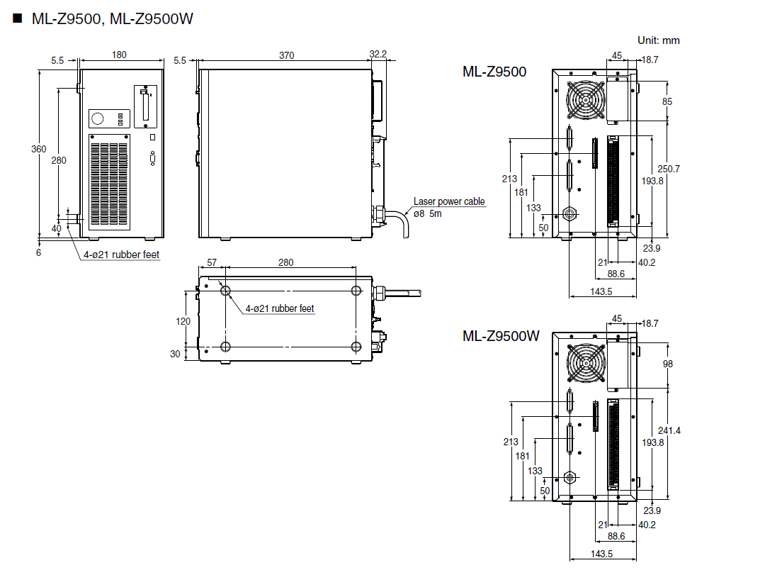
* Download CAD file or product manual for larger image/text and more detail.

ML-Z9500(W) Dimension