* Download CAD file or product manual for larger image/text and more detail.

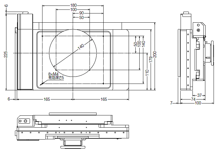
vr_s200_01_dimension.gif

VR-S200 Dimension