* Download CAD file or product manual for larger image/text and more detail.

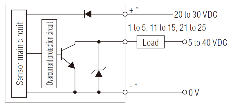
* The +/- terminals are provided in the GT2-100N only.
They are not provided in the GT2-E3N.

* The - terminal is provided in the GT2-100N only.
It is not provided in the GT2-E3N.
(Short-circuit current: 1 mA max.)