* Download CAD file or product manual for larger image/text and more detail.

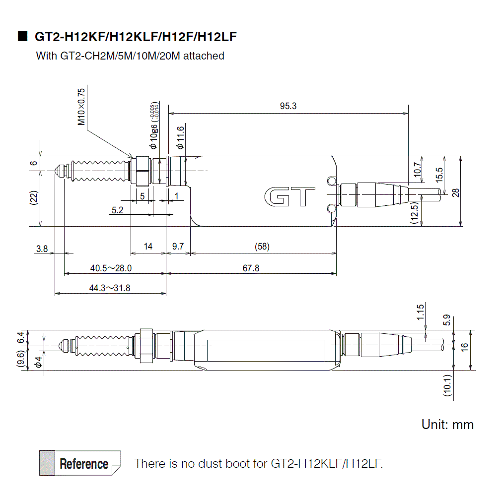
GT2-H12KF/H12KLF/H12F/H12LF Dimension