* Download CAD file or product manual for larger image/text and more detail.

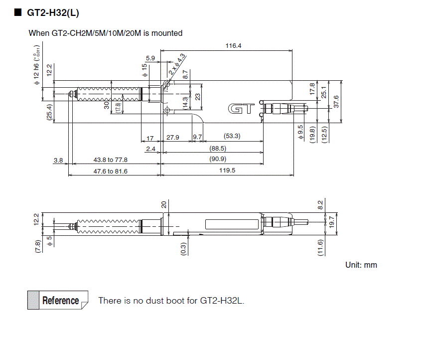
GT2-H32/H32L Dimension