Dimensions

* Download CAD file or product manual for larger image/text and more detail.

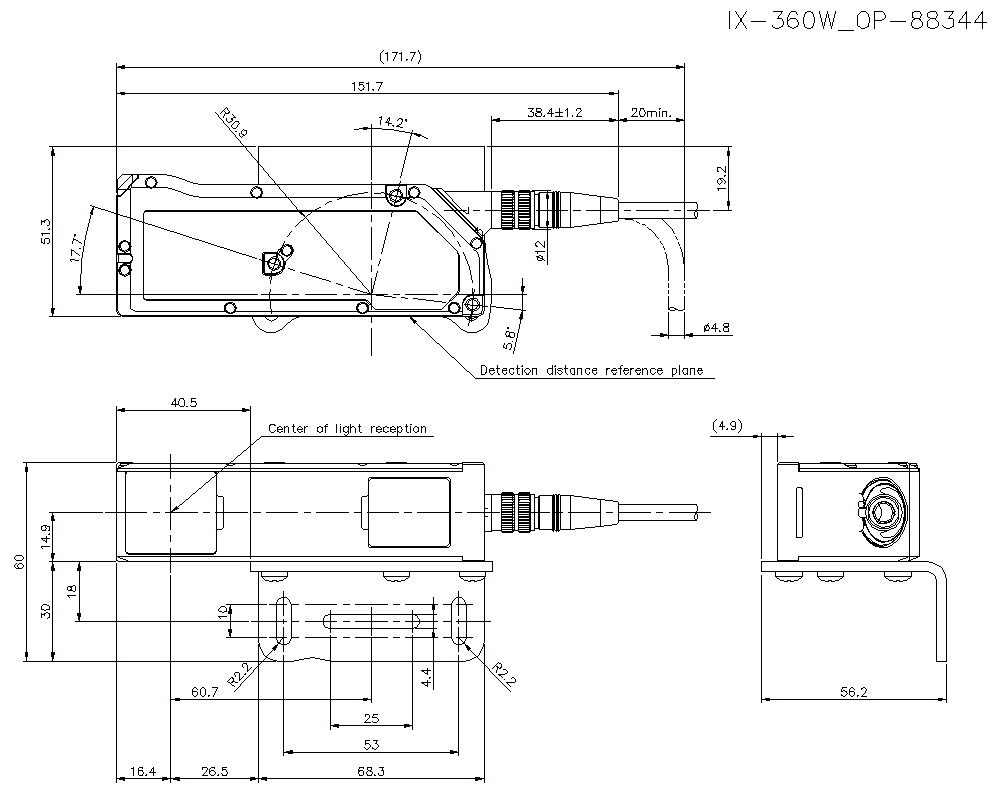
IX-HEAD/OP/88344 Dimension

OP-88344 Dimension

IX-360W/OP-88344