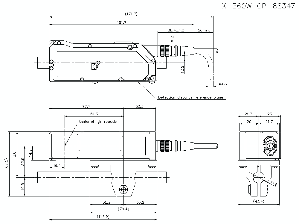
Dimensions

* Download CAD file or product manual for larger image/text and more detail.

IX-HEAD/OP/88347 Dimension

OP-88347 Dimension

IX-360W/OP-88347