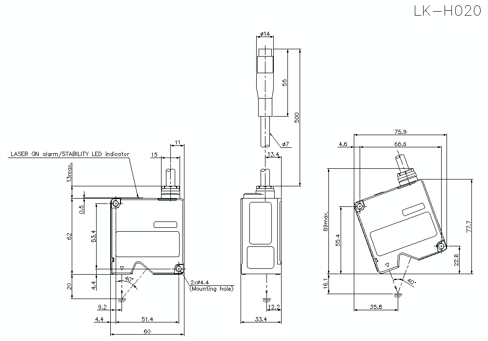
* Download CAD file or product manual for larger image/text and more detail.

lk-h022k_h027k_2_dimension_01.gif

LK-H022K Dimension