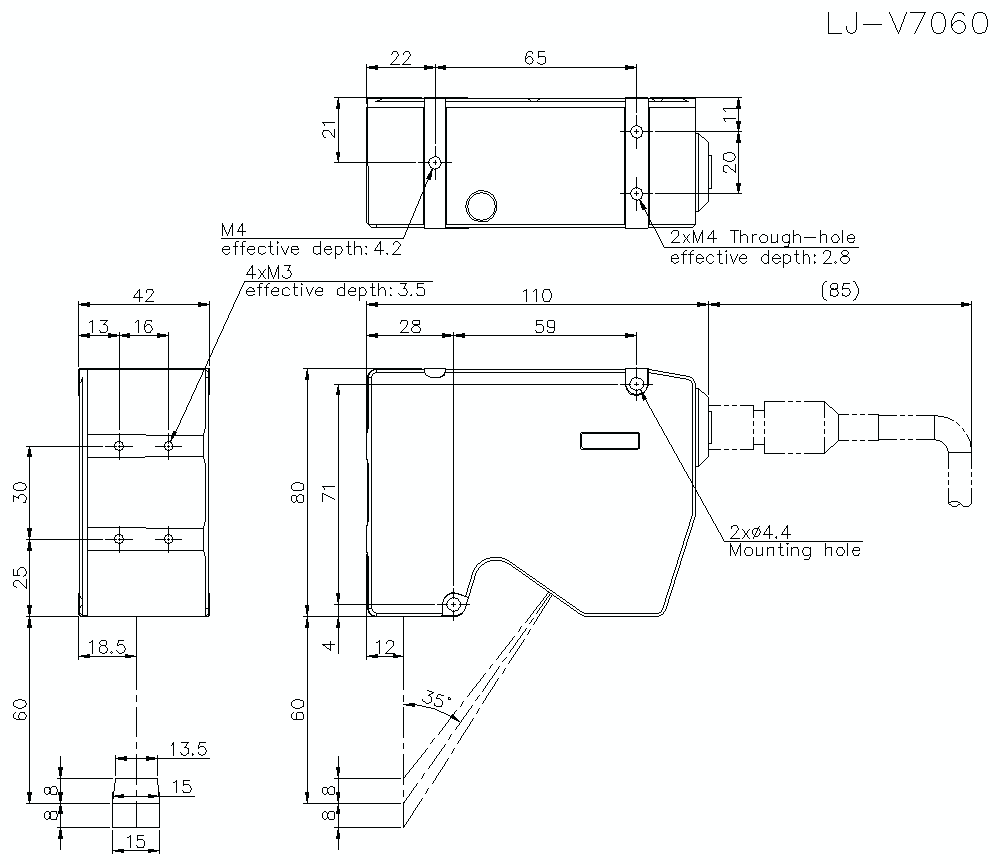
Dimensions

* Download CAD file or product manual for larger image/text and more detail.

lj-v7060_dimension_01.gif

LJ-V7060 Dimension