* Download CAD file or product manual for larger image/text and more detail.

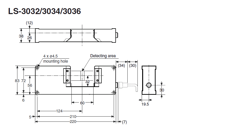
LS-3032/3034/3036 Dimension