* Download CAD file or product manual for larger image/text and more detail.

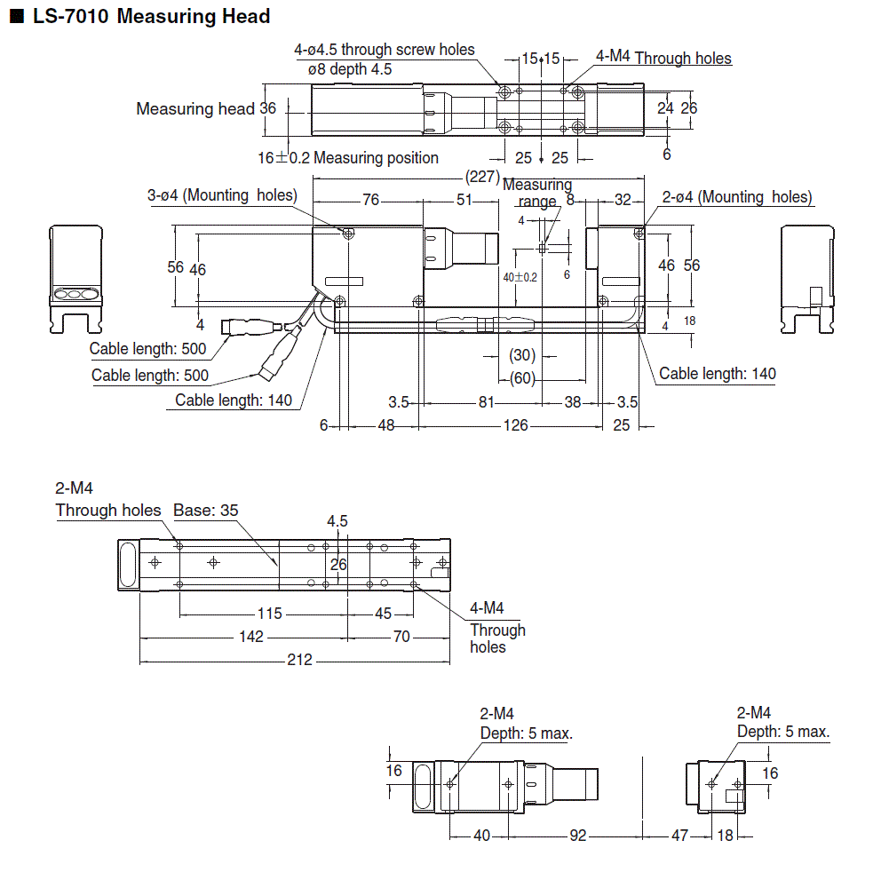
LS-7010 Dimension