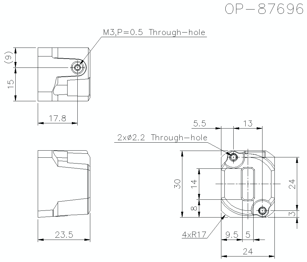
Dimensions

* Download CAD file or product manual for larger image/text and more detail.

op-87696_dimension_01.gif

OP-87696 Dimension