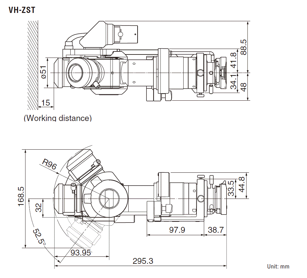
Dimensions

* Download CAD file or product manual for larger image/text and more detail.

vh_zst_dimension.gif

VH-ZST Dimension