* Download CAD file or product manual for larger image/text and more detail.

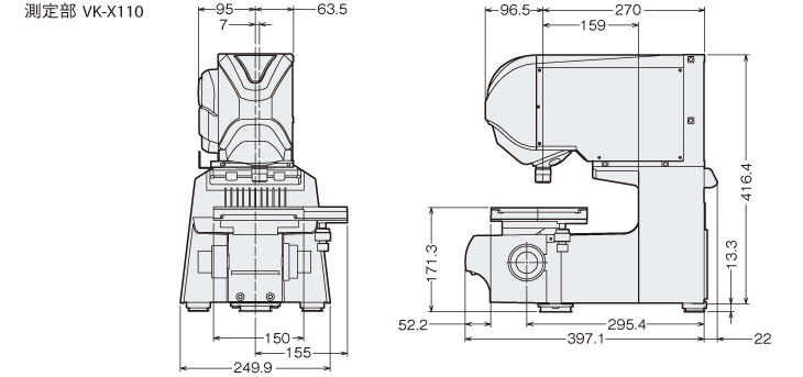
vk_x110_dimension_01.gif

VK-X110 Dimension