* Download CAD file or product manual for larger image/text and more detail.

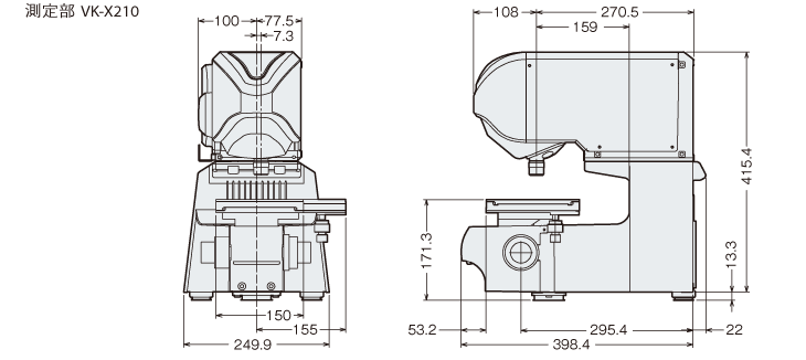
vk_x210_dimension_01.gif

VK-X210 Dimension