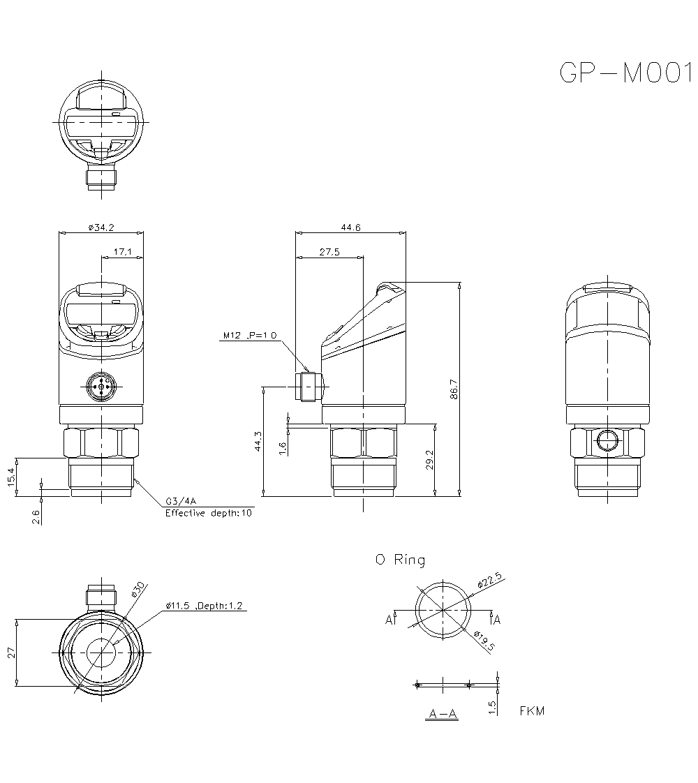
* Download CAD file or product manual for larger image/text and more detail.

GP-M001 Dimension