* Download CAD file or product manual for larger image/text and more detail.

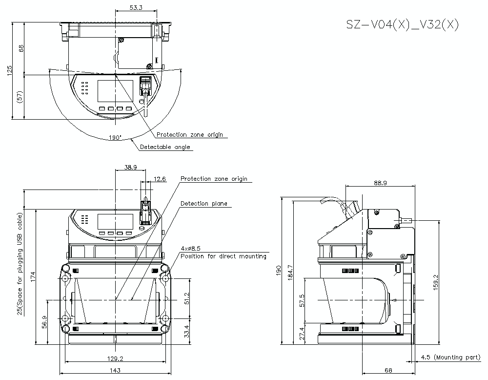
sz-v04_x_v32_x_dimension_01.gif

SZ-V04/X/V32/X Dimension

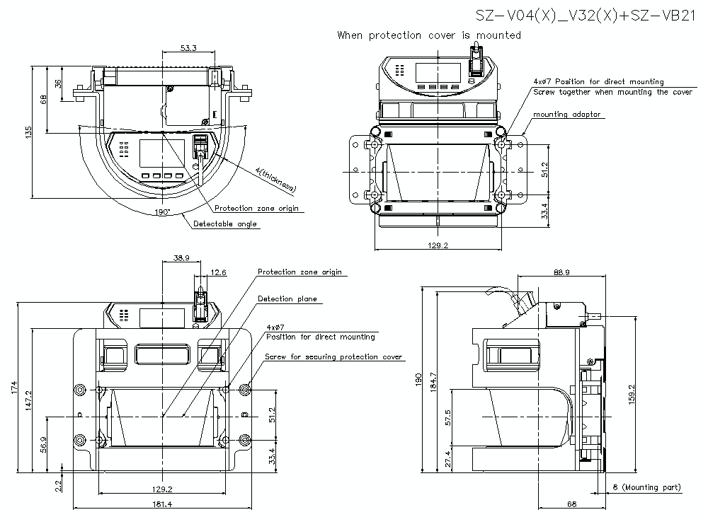
szv04_v32_x_vb21_dimension_01.gif

SZV04-V32/X/VB21 Dimension